
Precision Engineering in Action
Quality craftsmanship in manufacturing & proven performance at customer sites
Loading...

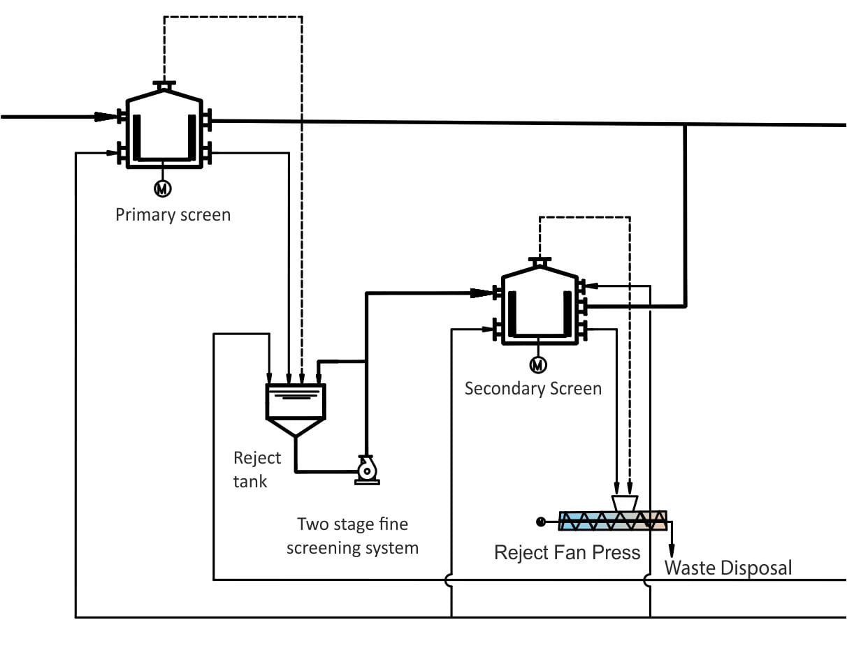
Parason Fan Press is developed with pioneering technology to separate wastewater into its solid and liquid components.

Quality craftsmanship in manufacturing & proven performance at customer sites

The Parason Reject Fan Press PFP separates wastewater into solid and liquid components using pioneering filter and press technology. Compact, maintenance-friendly, and cost-efficient, it replaces conventional belt presses and centrifuges while delivering clean water and dry solid particles in drip-free form.
Combined filter and press technology for effective separation
Rejects or sludge enters the press
Solids separated from liquid phase
Continuous pressing removes water
Clean water + drip-free solids
Typical reject fan press setup in screening line

Configurable for various screening applications
Key specifications at a glance
Contact our team to learn how the Reject Fan Press can improve your wastewater management and reduce disposal costs.